






Ayudamos a nuestros clientes a plasmar sus ideas en los proyectos, actuando de manera multidisciplinaria para no solo alcanzar, sino también superar sus expectativas

Considerando la normativa y el reglamento que regulan la correcta implementación de la iluminación según las actividades que se pretenden realizar, buscamos transformar las ideas del cliente en proyectos viables, garantizando la obtención de las aprobaciones necesarias de los organismos inspectores, como RETILAP

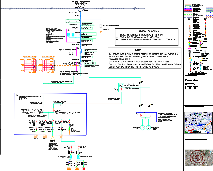
Aplicando la normatividad y reglamentación adecuadas, buscamos garantizar el cumplimiento necesario para que el proyecto obtenga las aprobaciones requeridas por los organismos inspectores RETIE.
Nos dedicamos a diseñar proyectos eléctricos y a presentar estos proyectos a los operadores de red, como EMSA y ENERCA. Acompañamos a nuestros clientes en los procesos necesarios para legalizar el proyecto, que incluyen el trámite de factibilidad, la revisión de la obra, la certificación de la misma, la prematricula y la instalación del medidor

Debido al constante crecimiento de las empresas y a la falta de organización en la documentación relevante del sistema eléctrico, se realizan inspecciones para conocer el estado real de la instalación y realizar los cálculos correspondientes. Esto permite diagnosticar y optimizar las instalaciones, así como contar con información precisa que facilite un crecimiento eléctrico técnico y controlado.

En nuestro equipo, contamos con profesionales altamente capacitados y comprometidos con la construcción de soluciones energéticas sustentables. Nuestra misión es satisfacer las necesidades particulares de nuestros clientes, ofreciendo servicios personalizados que se alineen con sus objetivos y requerimientos específicos. A través de la innovación y la sostenibilidad, nos esforzamos por desarrollar proyectos que no solo sean eficientes, sino que también contribuyan al bienestar del medio ambiente. Creemos firmemente que la energía sustentable es el camino hacia un futuro más responsable y equitativo.











NIT. 901.195.295-0
INVERSIONES APACHE
NIT. 822.002.258-4
NIT 901.089.654-8
GREEN SUMINISTROS Y SERVICIOS S.A.S ZOMAC . Green S&S S.A.S. NIT 901180075- 1





